
Комплектные трансформаторные подстанции (КТП) представляют собой однотрансформаторные подстанции тупикового типа наружной установки. КТП служат для приема электрической энергии переменного тока напряжением 6 или 10 кВ, преобразования ее в электроэнергию напряжением 0,4 (0,23) кВ для потребителей в районах с умеренным климатом (от минус 45 до плюс 40 °С).
КТП предназначены для электроснабжения и защиты сельскохозяйственных потребителей (в том числе фермерских хозяйств, садово-огороднических участков), отдельных населенных пунктов и небольших объектов, относящихся к III категории по надежности электроснабжения.
Основные сведения о КТП:
Высоковольтный ввод в КТП - воздушный.
ТП подключается к ЛЭП посредством разъединителя, который поставляется комплектно с подстанцией (устанавливается на ближайшей опоре).
ТП обеспечивают учет активной электрической энергии. По требованию заказчика возможна установка счетчика любой модификации (совмещенного и т.д.).
В КТП имеется фидер уличного освещения, который оснащен устройством ручного и автоматического включения и отключения. Возможно исполнение КТП без фидера уличного освещения (по требованию заказчика).
В КТП предусматриваются следующие виды защит:
от атмосферных перенапряжений;
от междуфазных коротких замыканий;
от перегрузки и коротких замыканий линий 0,4 кВ;
от коротких замыканий цепей обогрева и цепей освещения КТП.
КТП имеют электрические и механические блокировки, обеспечивающие безопасную работу обслуживающего персонала.
Достоинства КТП:
безопасны для окружающей среды;
конструкция способствует быстрому монтажу и пуску на месте эксплуатации, а также быстрому демонтажу при изменении места установки;
имеют резиновые уплотнения на дверях;
имеют привлекательный эстетичный вид;
комплектуются современными трансформаторами герметичного исполнения (серии ТМГ) собственного производства.
Срок службы трансформаторных подстанций данного типа составляет 30 лет.
Комплектные трансформаторные подстанции КТП-02, КТП-04, КТПР мощностью 25 - 250 кВА
Особенности данных КТП:
Выводы отходящих линий:
КТП-02 - воздушные (за исключением линии №4, присоединение к которой осуществляется только кабелем);
КТП-04 - кабельные;
КТПР - воздушные.
На отходящих фидерах 0,4 кВ устанавливаются:
КТП-02, КТП-04 - автоматические выключатели;
КТПР - блоки «рубильник - предохранитель».
При заказе может поставляться площадка обслуживания шкафа РУНН.
Основные технические параметры КТП-02, КТП-04, КТПР
Примечание: По требованию заказчика схема и группа соединения обмоток трансформатора, а также токи и количество отходящих фидеров могут быть изменены.
*По согласованию с заказчиком.
Габаритные размеры и масса КТП-02, КТП-04, КТПР
Примечание к схеме:
Масса КТП (без трансформатора), кг, не более:
КТП 25 160 кВ·А - 350;
КТП 250 кВ·А - 400.
трансформатор (при его заказе);
шкаф РУНН;
шкаф УВН;
ограничитель перенапряжений;
короб (только для КТП с воздушными выводами).
Установочные размеры КТП-04 мощностью 25 160 кВ·А для крепления на фундаменте и привязка кабельных выводов
Установочные размеры КТП-04 мощностью 250 кВ·А для крепления на фундаменте и привязка кабельных выводов
Схема электрическая принципиальная КТП-02 мощностью 25, 40 кВ·А
Примечание: Разъединитель QS1, высоковольтные ограничители перенапряжений FV1 - FVЗ, реле КА1 и КА2 поставляются по требованию заказчика.
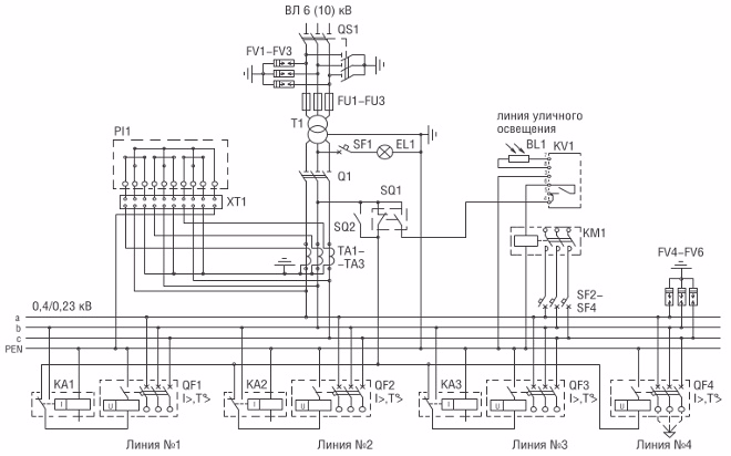
Схема электрическая принципиальная КТП-02 мощностью 63 250 кВ·А
Примечание к схеме:
Разъединитель QS1, высоковольтные ограничители перенапряжений FV1 FVЗ, реле КА1 КАЗ поставляются по требованию заказчика.
Линия №4 имеет кабельный вывод (до ближайшей опоры ЛЭП).
SQ2 устанавливается только для КТП мощностью 250 кВ·А напряжением 6 кВ.
Схема электрическая принципиальная КТП-04 мощностью 25, 40 кВ·А
Примечание к схеме: Разъединитель QS1, высоковольтные FV1-FVЗ и низковольтные FV4-FV6 ограничители перенапряжений поставляются по требованию заказчика.
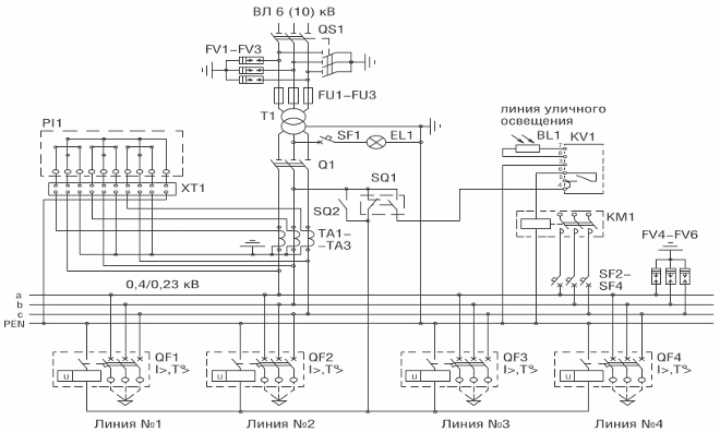
Схема электрическая принципиальная КТП-04 мощностью 63 250 кВ·А
Примечание к схеме:
Разъединитель QS1, высоковольтные FV1-FVЗ низковольтные FV4-FV6 ограничители перенапряжений поставляются по требованию заказчика.
SQ2 устанавливается только для КТП мощностью 250 кВ·А напряжением 6 кВ.
Схема электрическая принципиальная КТПР мощностью 25, 40 кВ·А
Примечание к схеме: Разъединитель QS1, ограничители перенапряжений FV1-FVЗ поставляются по требованию заказчика.
Схема электрическая принципиальная КТПР мощностью 63 250 кВ·А
Примечание к схеме: Разъединитель QS1, ограничители перенапряжений FV1-FVЗ поставляются по требованию заказчика.
Заключение
Система менеджмента качества проектирования, разработки, производства и поставки трансформаторов и комплектных трансформаторных подстанций сертифицирована международным органом по сертификации «DEKRA», Германия (№ 99535 от 01.01.2000), на соответствие МС ИСО 90071:2015 и национальным органом по сертификации БелГИСС (№ ВУ/112 05.0.0.0034 от 24.12.1999) на соответствие СТБ ISO 9001-2015.
Силовые трансформаторы соответствуют международным стандартам серии МЭК 60076 и сертифицированы Европейским нотифицированным органом «Словацкий электротехнический институт EVPU» (сертификаты соответствия № 00547/101/1/2005, № 00548/101/1/2005).
Материалы настоящего каталога носят исключительно информационный характер и не могут служить основанием для предъявления производителю каких-либо претензий. Производитель оставляет за собой право изменения изложенной информации и не несет ответственности за использование информации, почерпнутой из настоящего каталога третьими лицами, либо из устаревших версий данного каталога.
Предприятие выполняет по заказу шеф-монтажные и пусконаладочные работы изготавливаемой заводом продукции на объектах заказчиков (потребителей).
