
Справочные материалы. Варианты установки комплектных трансформаторных подстанций тупикового типа с кабельными и воздушными вводами на месте эксплуатации.
Представленные материалы по установке комплектных трансформаторных подстанций тупикового типа Минского электротехнического завода им. В.И. Козлова не являются обязательными для исполнения. Установка данных подстанций на месте эксплуатации должна производится в соответствии с конкретными рекомендациями, разработанными специально проектной организацией или в соответствии с типовым проектом.
Установка комплектных трансформаторных подстанций напряжением 10/0,4 кВ тупикового типа мощностью 400 кВА Минского электротехнического завода
При привязке типового проекта установки КТП к конкретным условиям строительства рекомендуется выполнить следующие работы:
привязать КТП и присоединяемые к ней линии 10 кВ и 0,38 кВ на плане. При этом следует иметь в виду, что сторона КТП с датчиком фотореле уличного освещения должна быть направлена в сторону, противоположную дороге (для исключения ложного срабатывания фотореле и отключения линии уличного освещения при кратковременных воздействиях на датчик света от проезжающего автотранспорта);
выбрать вариант фундамента для установки КТП;
определить удельное сопротивление грунта. Если оно не превышает 100 Ом.м - применить разработанный в проекте чертеж ЗУ. При удельном сопротивлении грунта более 100 Ом.м необходимо рассчитать и выполнить индивидуальный чертеж ЗУ;
при особых климатических условиях района строительства уточнить требования к морозостойкости бетона, марки стали, защите от коррозии и др.
При заказе оборудования следует иметь в виду следующее:
КТП поставляется заводом с силовым трансформатором;
разъединитель 10кВ входит в поставку КТП. Установочные металлоконструкции для разъединителя завод не поставляет;
стойки железобетонных опор для установки разъединителя, а также изоляторы и линейная арматура концевой опоры должны быть включены в спецификацию ВЛ 10кВ.

Заземление и грозозащита
Заземляющее устройство выполняется общим для КТП и разъединителя 10 кВ (на концевой опоре). Сопротивление заземляющего устройства принимается в соответствии с ПУЭ и должна быть не более 4 Ом при условии, что удельное сопротивление грунта составляет не более 100 Ом.м
Защита от перенапряжений на стороне высшего напряжения осуществляется вентильными разрядками 10 кВ, установленными на вводе 10 кВ. Предусмотрена установка вентильных разрядков ,4 кВ с присоединением к сборным шинами 0,4 кВ на случай применения кабельных вставок ВЛ 0,38 кВ
Установка КТП на фундамент
КТП устанавливается на фундамент , выполненный из блоков ФБС, уложенных горизонтально на поверхности земли. Вариант установки рекомендуется при песчаных грунтах с крупной галькой и валунами, когда бурение котлованов затрудненно. Блоки укладываются на гравийное основание, при этом долен быть срезан растительный грунт.
В случае, если под подошвой фундамента залегает пучинистый грунт или расчетное сопротивление грунта менее 1,5 кг/см, должно производится устройство искусственного основания (песчаной или гравийной подушки).
В качестве материала для устройства подушки должны применяться песок гравелистый, крупный, средней плотности, щебень и галька, смесь песка со щебнем, котельный шлак и т.п.
Плотность скелета грунта в подушке должна быть не менее 0,93 - 0,95 максимальной плотности, получаемой из опыта на стандартное уплотнение грунта.
При использовании песков в качестве материала искусственного основания грунта должен отсыпаться послойно и уплотняться до плотности скелета РСК ≥ 1,75 т/м³ трамбованием или укаткой согласно п. 3.5 СНиП 3.02.01-83.
Глубина заложения низа грунтовой подушки должна быть не менее расчетной глубины промерзания грунта и приниматься с учетом п. 2.29 СНиП 2.02.01-83, если подстилающий слой удовлетворяет условию прочности по п. 2.48 СНиП 2.02.01-89. Если же это условие не выполняется, то глубина заложения низа подушки и ее размеры в плане принимаются по расчету из условия прочности основания.
Площадки под КТП должны быть спланированы так, чтобы обеспечивался отвод поверхностных вод.
ИнформацияСтатьиВарианты установок КТП с кабельными и воздушными вводами на месте эксплуатации
Варианты установок КТП с кабельными и воздушными вводами на месте эксплуатации
21 сентября 2018

Справочные материалы. Варианты установки комплектных трансформаторных подстанций тупикового типа с кабельными и воздушными вводами на месте эксплуатации.
Представленные материалы по установке комплектных трансформаторных подстанций тупикового типа Минского электротехнического завода им. В.И. Козлова не являются обязательными для исполнения. Установка данных подстанций на месте эксплуатации должна производится в соответствии с конкретными рекомендациями, разработанными специально проектной организацией или в соответствии с типовым проектом.
Установка комплектных трансформаторных подстанций напряжением 10/0,4 кВ тупикового типа мощностью 400 кВА Минского электротехнического завода
При привязке типового проекта установки КТП к конкретным условиям строительства рекомендуется выполнить следующие работы:
привязать КТП и присоединяемые к ней линии 10 кВ и 0,38 кВ на плане. При этом следует иметь в виду, что сторона КТП с датчиком фотореле уличного освещения должна быть направлена в сторону, противоположную дороге (для исключения ложного срабатывания фотореле и отключения линии уличного освещения при кратковременных воздействиях на датчик света от проезжающего автотранспорта);
выбрать вариант фундамента для установки КТП;
определить удельное сопротивление грунта. Если оно не превышает 100 Ом.м - применить разработанный в проекте чертеж ЗУ. При удельном сопротивлении грунта более 100 Ом.м необходимо рассчитать и выполнить индивидуальный чертеж ЗУ;
при особых климатических условиях района строительства уточнить требования к морозостойкости бетона, марки стали, защите от коррозии и др.
При заказе оборудования следует иметь в виду следующее:
КТП поставляется заводом с силовым трансформатором;
разъединитель 10кВ входит в поставку КТП. Установочные металлоконструкции для разъединителя завод не поставляет;
стойки железобетонных опор для установки разъединителя, а также изоляторы и линейная арматура концевой опоры должны быть включены в спецификацию ВЛ 10кВ.

Заземление и грозозащита
Заземляющее устройство выполняется общим для КТП и разъединителя 10 кВ (на концевой опоре). Сопротивление заземляющего устройства принимается в соответствии с ПУЭ и должна быть не более 4 Ом при условии, что удельное сопротивление грунта составляет не более 100 Ом.м
Защита от перенапряжений на стороне высшего напряжения осуществляется вентильными разрядками 10 кВ, установленными на вводе 10 кВ. Предусмотрена установка вентильных разрядков ,4 кВ с присоединением к сборным шинами 0,4 кВ на случай применения кабельных вставок ВЛ 0,38 кВ

Нужна консультация?
Оставьте свои вопросы или пожелания, и наши специалисты свяжутся с вами в течение 30 минут. Мы с радостью поможем вам выбрать подходящий трансформатор или трансформаторную подстанцию.
Имя *
Номер телефона *
Ваш вопрос (необязательно)
Отправить
Нажимая кнопку "Отправить", я даю согласие на обработку моих персональных данных в соотвествии с законом №152-ФЗ «О персональных данных» от 27.07.2006 и принимаю условия
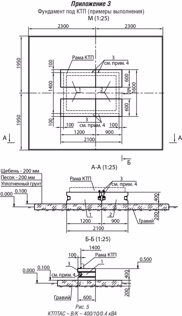
Установка КТП на фундамент
КТП устанавливается на фундамент , выполненный из блоков ФБС, уложенных горизонтально на поверхности земли. Вариант установки рекомендуется при песчаных грунтах с крупной галькой и валунами, когда бурение котлованов затрудненно. Блоки укладываются на гравийное основание, при этом долен быть срезан растительный грунт.
В случае, если под подошвой фундамента залегает пучинистый грунт или расчетное сопротивление грунта менее 1,5 кг/см, должно производится устройство искусственного основания (песчаной или гравийной подушки).
В качестве материала для устройства подушки должны применяться песок гравелистый, крупный, средней плотности, щебень и галька, смесь песка со щебнем, котельный шлак и т.п.
Плотность скелета грунта в подушке должна быть не менее 0,93 - 0,95 максимальной плотности, получаемой из опыта на стандартное уплотнение грунта.
При использовании песков в качестве материала искусственного основания грунта должен отсыпаться послойно и уплотняться до плотности скелета РСК ≥ 1,75 т/м³ трамбованием или укаткой согласно п. 3.5 СНиП 3.02.01-83.
Глубина заложения низа грунтовой подушки должна быть не менее расчетной глубины промерзания грунта и приниматься с учетом п. 2.29 СНиП 2.02.01-83, если подстилающий слой удовлетворяет условию прочности по п. 2.48 СНиП 2.02.01-89. Если же это условие не выполняется, то глубина заложения низа подушки и ее размеры в плане принимаются по расчету из условия прочности основания.
Площадки под КТП должны быть спланированы так, чтобы обеспечивался отвод поверхностных вод.


Спецификация сборных элементов
Поз. | Обозначение | Наименование | Кол. | Масса ед. | Прим. | |
Рис. 5 | Рис. 6 | |||||
1. | СТБ 1076-97 | Блоки стен подвалов ФБС 12.4.6. - Т | 2 | 4 | 640 | 0,265 м³ |
2. | СТБ 1076-97 | Блоки стен подвалов ФБС 12.4.6. - Т | 2 | 2 | 470 | 0,195 м³ |
3. | ГОСТ 103-2006 | Полоса - 4 х 80 х 400 | 4 | 12 | 1,1 | I=400 мм |
Электроды для сварки Э-42 по ГОСТ 9467-75.
Высота сварного шва hш = 6 мм.
Фундамент рекомендуется для площадок, сложенных грунтами с нормативными значениями прочностных и деформативных характеристик, приведенных в табл. 1 и 2 приложения СНиП 2.02.01-89, за исключением сильнопучинистых грунтов, к которым могут быть отнесены: супеси, суглинки и глины с показателем консистенции I1 > 0,5 на площадках, для которых разница расстояния от поверхности планировки до уровня грунтовых вод и расчетной глубины промерзания не менее 1,5 м.
Полосу приварить к петле фундаментных блоков и раме КТП.
