
Трансформаторы силовые сухие трехфазные с литой изоляцией серии ТСЛ (без кожуха) и ТСЗЛ (с кожухом) классов напряжения до 10 кВ предназначены для преобразования электроэнергии у потребителей переменного тока номинальной частотой 50 Гц. Номинальное напряжение ВН - 6; 6,3; 10; 10,5 кВ, НН - 0,4 кВ, схема и группа соединения обмоток - Д/Ун-11, У/Ун-0. Степень защиты трансформаторов ТСЛ - IР00, ТСЗЛ - IР21.
Трансформаторы предназначены для работы в помещениях в условиях умеренного климата при температуре окружающего воздуха от минус 45 °С до плюс 40 °С и умеренно-холодного климата от минус 60 °С до плюс 45 °С.
Технические характеристики трансформаторов серии ТСЛ, ТСЗЛ
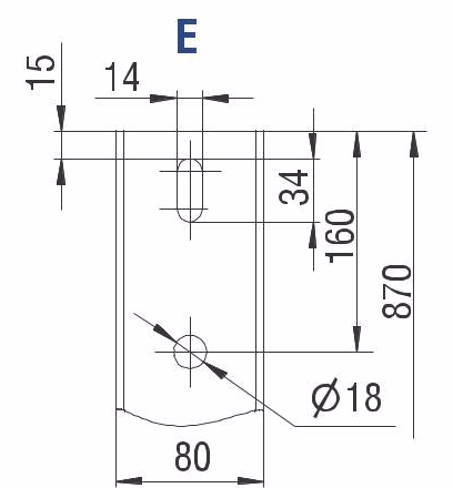
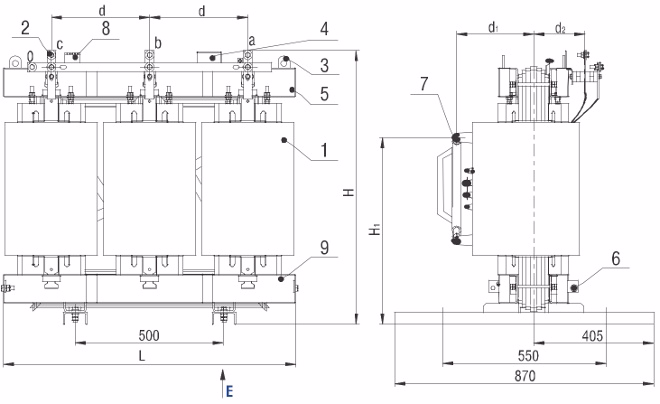
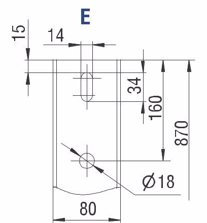
Трансформаторы ТСЛ мощностью 25...100 кВ·А

обмотка ВН;
вывод НН;
серьга для подъема трансформатора;
табличка;
верхняя ярмовая балка;
зажим заземления;
ввод ВН;
реле термозащиты;
нижняя ярмовая балка.
Трансформаторы ТСЗЛ мощностью 25...100 кВ·А

кожух;
съёмные стенки кожуха;
табличка;
кольцо для подъема трансформатора;
реле термозащиты;
ввод ВН;
вывод НН;
зажим заземления;
узел ввода кабеля ВН.

Заключение
Система менеджмента качества проектирования, разработки, производства и поставки трансформаторов и комплектных трансформаторных подстанций сертифицирована международным органом по сертификации «DEKRA», Германия (№ 99535 от 01.01.2000), на соответствие МС ИСО 90071:2015 и национальным органом по сертификации БелГИСС (№ ВУ/112 05.0.0.0034 от 24.12.1999) на соответствие СТБ ISO 9001-2015.
Силовые трансформаторы соответствуют международным стандартам серии МЭК 60076 и сертифицированы Европейским нотифицированным органом «Словацкий электротехнический институт EVPU» (сертификаты соответствия № 00547/101/1/2005, № 00548/101/1/2005).
Гарантийный срок эксплуатации трансформаторов:
5 лет с даты выпуска.
Предприятие выполняет по заказу шеф-монтажные и пусконаладочные работы изготавливаемой заводом продукции на объектах заказчиков (потребителей).
