
Серия КТП включает модели КТП-02, КТП-04 и КТПНД (в дальнейшем именуемые КТП, с указанием типа при необходимости).
КТП-02 — это комплектная трансформаторная подстанция с воздушными вводом и выводом.
КТПНД и КТП-04 — это комплектные трансформаторные подстанции с воздушным вводом и кабельными выводами.
Помимо настоящего руководства, рекомендуется использовать техническое описание и инструкцию по эксплуатации силового трансформатора и комплектующего оборудования.
В связи с постоянным совершенствованием конструкции и технологий изготовления, в настоящем руководстве могут встречаться незначительные расхождения между описанием и фактической конструкцией КТП. Эти различия не влияют на работоспособность, технические характеристики и установочные размеры изделий.
Назначение изделия
Комплектные трансформаторные подстанции (КТП) серии мощностью 25–250 кВ·А представляют собой однотрансформаторные подстанции тупикового типа, предназначенные для наружной установки. Они служат для приема трехфазного переменного тока частотой 50 Гц напряжением 6(10) кВ, преобразования его в напряжение 0,4 кВ и снабжения электроэнергией потребителей.
Подстанции типов КТП-02 и КТП-04 используются для электроснабжения сельскохозяйственных объектов, отдельных населенных пунктов и промышленных предприятий. Подстанции типа КТПНД предназначены для электроснабжения нефтедобывающих скважин.
Нормальная работа КТП обеспечивается в районах с умеренным климатом при следующих условиях:
высота над уровнем моря — не более 1000 м;
температура окружающего воздуха — от +40 до -45 °C;
скорость ветра — до 36 м/с (скоростной напор ветра — до 800 Па);
максимальное усилие от воздушной линии на один изолятор — 200 Н;
тип атмосферы II по ГОСТ 15150-69.
КТП не предназначены для:
эксплуатации в условиях тряски, ударов или вибрации;
работы в агрессивных или специальных средах по ГОСТ 24682-81;
ввода питания со стороны 0,4 кВ.
Примеры обозначений КТП при заказе и в документации:
КТП мощностью 250 кВ·А, напряжением 6 кВ, с воздушными выводами, без площадки обслуживания: КТП-250/6/0,4-02-У1, ТУ РБ 100211261.024-2003.
КТП мощностью 100 кВ·А, напряжением 10 кВ, с кабельными выводами, без площадки обслуживания: КТП-100/10/0,4-04-У1, ТУ РБ 100211261.024-2003.
КТП мощностью 100 кВ·А, напряжением 6 кВ, с воздушными выводами, с площадкой обслуживания: КТП-100/6/0,4-02-У1, с площадкой обслуживания, ТУ РБ 100211261.024-2003.
КТП мощностью 160 кВ·А, напряжением 6 кВ, с кабельными выводами, с площадкой обслуживания: КТП-160/6/0,4-04-У1, с площадкой обслуживания, ТУ РБ 100211261.024-2003.
КТПНД мощностью 40 кВ·А, напряжением 10 кВ: КТПНД-40/10/0,4-99-У1, ТУ РБ 100211261.024-2003.
Технические характеристики
Технические параметры КТП приведены в таблице:

Примечания
В соответствии с требованиями технических условий на автоматические выключатели при температуре окружающего воздуха более 40 ОС должен снижаться на 5 % номинальный ток автоматических выключателей типа ВА51 и ВА52 - на каждые 5 ОС превышения температуры воздуха.
Максимально допустимые нагрузки и допустимые перегрузки силового трансформатора - в соответствии с техническим описанием на него.
По требованию заказчика номинальные токи и количество отходящих линий могут быть изменены.
Высоковольтный ввод в КТП - воздушный. Выводы отходящих линий 0,4 кВ в КТП-02 - воздушные, за исключением линии №4 (в КТП мощностью 250 кВ.А), присоединение к которой осуществляется только кабелем.
Возможна поставка КТП без разъединителя с приводом и ограничителей перенапряжений на стороне высокого напряжения 6(10) кВ, а также без защиты от однофазных коротких замыканий на стороне 0,4 кВ, при условии, что такие требования согласованы с заказчиком.
При оформлении заказа на КТП с силовым трансформатором необходимо дополнительно указать его тип:
стандартное или оптимизированное исполнение;
наличие симметрирующего устройства;
трансформатор со сниженным уровнем потерь холостого хода и уменьшенной звуковой мощностью.
Состав изделия
Имеет следующие составные части:
трансформатор силовой наружной установки (при его заказе);
распределительное устройство со стороны низшего напряжения (РУНН);
устройство со стороны высшего напряжения (УВН);
кожух.
Комплектно с КТП поставляется разъединитель наружной установки с приводом, а с КТП-02 и КТП-04 также площадка обслуживания шкафа РУНН при её заказе.
Устройство и работа КТП
КТП подключается к линии электропередачи 6(10) кВ через разъединитель, установленный на ближайшей опоре ЛЭП. Разъединитель оснащен стационарными заземляющими ножами со стороны подстанции.
Основные компоненты КТП соединены между собой с помощью болтовых соединений (см. приложение А).

На крышке шкафа УВН установлены проходные изоляторы, ограничители перенапряжений (при их наличии в заказе) и штыревые высоковольтные изоляторы. Внутри шкафа УВН размещены высоковольтные предохранители. В верхней части шкафа УВН находится кронштейн для монтажа штыревых низковольтных изоляторов, к которым подключаются провода линий 0,4 кВ (в моделях КТП-02 с воздушными выводами).
Для защиты от случайного прикосновения к токоведущим частям и предотвращения попадания посторонних предметов выводы трансформатора закрыты кожухом с окнами для контроля температуры и уровня масла.
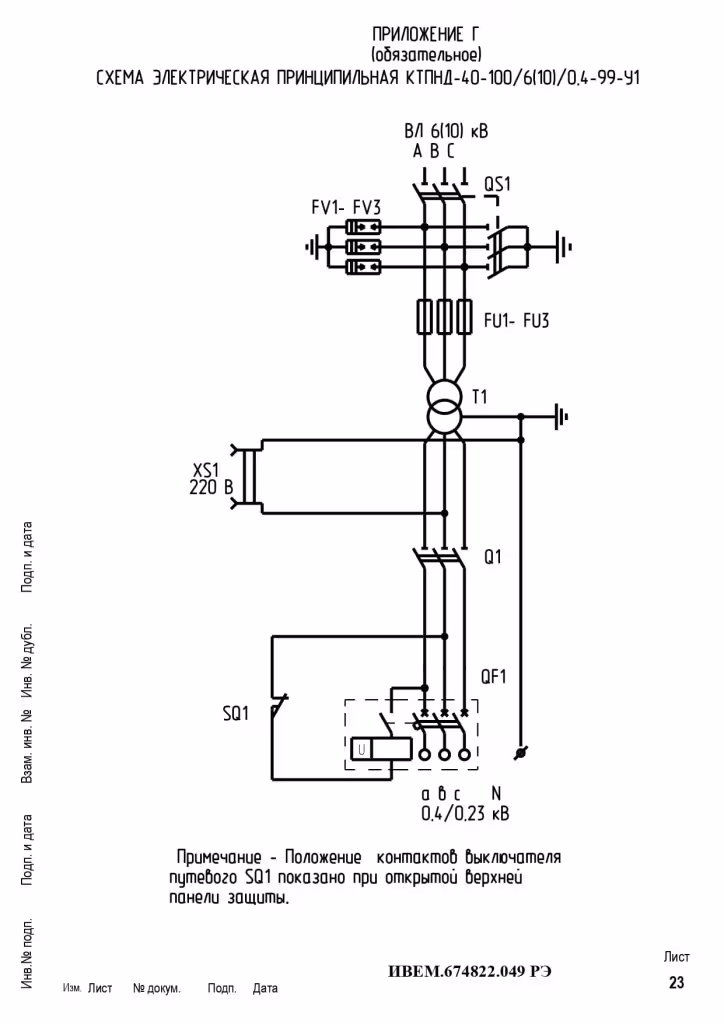
В шкафу РУНН размещена низковольтная аппаратура защиты, автоматики и учета, соответствующая принципиальным схемам, приведенным в приложениях Б, В (для КТП-02 и КТП-04) и Г (для КТПНД). Для безопасного обслуживания шкаф РУНН оснащен защитными панелями, закрепленными на петлях и оборудованными замками. В панелях предусмотрены отверстия для рукояток коммутационной аппаратуры, а в КТП-02 и КТП-04 — для считывания показаний счетчика. В КТПНД предусмотрено место для установки трансформаторов тока и счетчика электроэнергии, которые устанавливаются энергоснабжающей организацией.
Ввод кабелей в КТП-02 (с воздушными выводами) мощностью 250 кВ·А и в КТП-04 (с кабельными выводами) осуществляется через отверстия в дне шкафа РУНН с уплотнениями диаметром до 60 мм. Максимальное сечение жил кабеля должно соответствовать техническим характеристикам коммутационной аппаратуры. В КТП-02 провода для подключения к воздушным линиям 0,4 кВ прокладываются по наружным стенкам шкафа УВН и защищены коробами.


Шкафы РУНН и УВН закрываются дверьми с самозапирающимися замками и фиксаторами для удержания в открытом положении. Двери могут быть опломбированы. На двери шкафа УВН установлен блок-замок, сблокированный с приводом заземляющих ножей разъединителя. Дверь шкафа РУНН уплотнена резиновой прокладкой и оснащена ручками-прижимами с отверстиями для навесных замков.
На задней стенке шкафа РУНН и на баке трансформатора приварены пластины с обозначением заземления, предназначенные для подключения к заземляющему устройству.
При наличии площадки для обслуживания РУНН, она крепится к салазкам КТП-02 и КТП-04 с использованием крепежа, входящего в комплект поставки.
КТП оснащена электрическими и механическими блокировками, которые предотвращают:
включение заземляющих ножей разъединителя при включенных главных ножах;
включение главных ножей разъединителя при включенных заземляющих ножах;
открывание двери шкафа УВН при отключенных заземляющих ножах разъединителя;
отключение заземляющих ножей разъединителя при открытых дверях шкафа УВН;
отключение рубильника или разъединителя под нагрузкой (для КТП мощностью 250 кВ·А напряжением 6 кВ).
Блокировки обеспечиваются конструкцией разъединителя и блок-замками, установленными на двери шкафа УВН и приводе заземляющих ножей. Для открытия двери шкафа УВН необходимо отключить разъединитель, включить заземляющие ножи и использовать ключ, снятый с привода.
В КТП-02 и КТП-04 при открытии верхней защитной панели РУНН автоматически отключаются автоматические выключатели QF1-QF4, а также линия наружного освещения. В КТПНД аналогичная блокировка отключает автоматический выключатель QF1.
Для отключения разъединителя в КТП мощностью 250 кВ·А используется блок-замок с уникальным секретом. Ключ от блок-замка находится в шкафу РУНН, и его снятие приводит к отключению автоматических выключателей.
КТП-02 и КТП-04 имеют следующие виды защит:
на стороне ВН: от атмосферных и коммутационных перенапряжений, а также от междуфазных коротких замыканий;
на стороне НН: от перегрузки, однофазных и междуфазных коротких замыканий, а также от коротких замыканий в цепях освещения.
Для защиты силового трансформатора на стороне ВН установлены предохранители FU1-FU3. Ограничители перенапряжений FV1-FV3 (на стороне ВН) и FV4-FV6 (на стороне НН в КТП-02) защищают оборудование от перенапряжений.
Учет электроэнергии осуществляется электронным счетчиком РI1, подключенным к трансформаторам тока ТА1-ТА3. По согласованию с заказчиком возможна установка индукционного счетчика.
В КТП-02 предусмотрена защита от однофазных коротких замыканий в нулевых проводах линий №1-№3 с использованием токовых реле КА1-КА3.
Линия наружного освещения может работать в автоматическом или ручном режиме, управляемом тумблером на фотореле KV1.
Схемы КТП-02 и КТП-04 мощностью 63, 100, 160 кВ·А аналогичны описанным, но без линии №4. Для моделей мощностью 25 и 40 кВ·А отсутствуют линии №3 и №4, а для наружного освещения предусмотрен нулевой провод N1.
КТПНД работает по аналогичным принципам, с защитой от перенапряжений и коротких замыканий на стороне ВН и НН. Напряжение измеряется переносным вольтметром, подключаемым к штепсельной розетке XS1 в шкафу РУНН (вольтметр в комплект поставки не входит).

Маркировка и пломбирование
КТП имеет табличку (заводской щиток) по ГОСТ 14695-80. При этом дополнительно указаны:
частота сети;
номер КТП;
масса КТП;
мощность КТП.
Двери шкафов УВН, РУНН, а также пробка для слива масла из трансформатора пломбируются ОТК предприятия-изготовителя.
Непосредственно на поверхности упаковки КТП - по ГОСТ 14192-92 и ГОСТ 14695-80 - окраской по трафарету нанесены манипуляционные знаки «Место строповки», «Центр тяжести», «Верх», «Хрупкое. Осторожно».
Упаковка
На время транспортирования:
техническая документация упаковывается в полиэтиленовый пакет и укладывается в шкаф РУНН;
разъединитель и привод к нему, высоковольтные проходные изоляторы, а также площадка обслуживания для КТП-02 и КТП-04, при ее заказе, упаковываются в деревянный ящик.
ЗИП упаковывается в картонную коробку и укладывается в деревянный ящик.
Допускается упаковка составных частей КТП и ЗИП в другую тару, обеспечивающую сохранность изделия при транспортировании, хранении и погрузочно-разгрузочных работах.
