
Особенность данных КТП:
комплектация КТП совмещенным счетчиком активной и реактивной энергии;
установка силового трансформатора открыто или под кожухом;
по требованию заказчика трансформаторы комплектуются электроконтактным мановакуумметром;
максимальное количество отходящих линий - десять.
Основные технические параметры КТПТАС мощностью 1000 кВА

Примечание: По требованию заказчика схема и группа соединения обмоток трансформатора, а также токи и количество отходящих фидеров могут быть изменены.
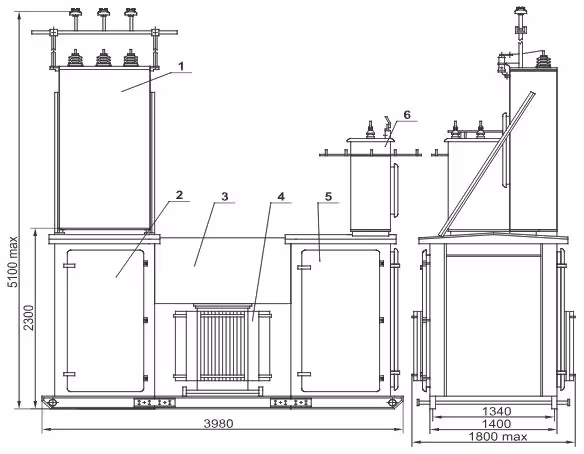
Габаритные размеры и масса КТПТАС мощностью 1000 кВ•А

Примечание к схеме:
Масса КТП (без трансформатора) не более 2000 кг.
шкаф воздушного ввода ВН (только для КТП с воздушным вводом);
шкаф трансформаторного ввода;
кожух;
трансформатор силовой;
шкаф РУНН;
шкаф выводов НН (только для КТП с воздушным выводом).
Разметка отверстий в КТПТАС мощностью 1000 кВ•А для крепления на фундаменте и ввода кабелей ВН и НН

Примечание к схеме:
шкаф трансформаторного ввода;
место установки трансформатора;
шкаф РУНН;
салазки.
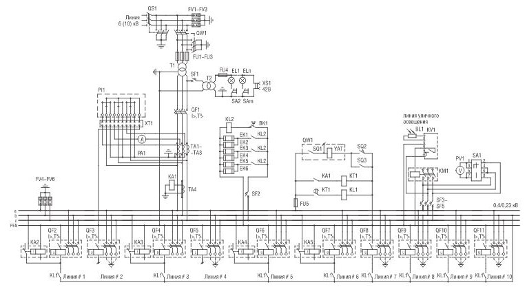
Принципиальная электрическая схема КТПТАС мощностью 1000 кВ•А

Примечание к схеме:
В КТП с кабельным вводом отсутствуют разъединитель QS1 ограничители перенапряжений FV1-FVЗ, выключатель SQ3.
В КТП с кабельными выводами отсутствуют реле тока КА2-КА5 ограничители перенапряжений FV4-FV6.
Линии №2, 4, 7, 8, 9, 10 имеют кабельные выводы.
Заключение
Система менеджмента качества проектирования, разработки, производства и поставки трансформаторов и комплектных трансформаторных подстанций сертифицирована международным органом по сертификации «DEKRA», Германия (№ 99535 от 01.01.2000), на соответствие МС ИСО 90071:2015 и национальным органом по сертификации БелГИСС (№ ВУ/112 05.0.0.0034 от 24.12.1999) на соответствие СТБ ISO 9001-2015.
Силовые трансформаторы соответствуют международным стандартам серии МЭК 60076 и сертифицированы Европейским нотифицированным органом «Словацкий электротехнический институт EVPU» (сертификаты соответствия № 00547/101/1/2005, № 00548/101/1/2005).
Материалы настоящего каталога носят исключительно информационный характер и не могут служить основанием для предъявления производителю каких-либо претензий. Производитель оставляет за собой право изменения изложенной информации и не несет ответственности за использование информации, почерпнутой из настоящего каталога третьими лицами, либо из устаревших версий данного каталога.
Предприятие выполняет по заказу шеф-монтажные и пусконаладочные работы изготавливаемой заводом продукции на объектах заказчиков (потребителей).
